| Model Name |
SK35SR |
| Machine Type |
SK35SR-5 |
| Model |
YANMAR 3TNV88 |
| Type |
Water cooled, 4-cycle, 3-cylinder,direct injection, diesel engine |
| Rated power output |
kW/min-1 |
21.2 / 2,400 (ISO 9249)
22.5 / 2,400 (ISO 14396) |
| Hydraulic Oil Tank (system) |
L |
38 (48) |
| Pump |
Type |
Two variable displacement pumps + One gear pump |
| Max.Discharge flow |
L/min |
2 × 38.4 |
| Swing speed |
min-1{rpm} |
8.9 |
| Travel Speed |
km/h |
4.5 / 2.5 |
| Gradeability |
% ( º ) |
58 (30) |
| Crawler shoes |
Rubber |
| Crawler shoe Width |
mm |
300 |
| Travel motors |
2 × axial-piston, two-step motors |
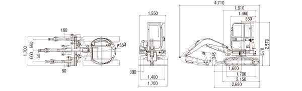
| Width × Height |
mm |
1,700 × 345 |
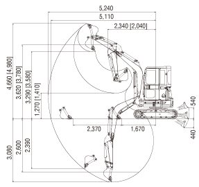
| Working Ranges (height/depth) |
mm |
540 / 440 |
| Bucket capacity |
m3 |
0.11 |
| Bucket Width |
mm |
600 (with side cutter) |
| Machine Mass |
Cab |
kg |
3,720 |
| Canopy |
kg |
3,580 |
| Ground Pressure |
Cab |
kPa |
33.0 |
| Canopy |
kPa |
32.0 |
Unit : mm
Figures in [ ] are for Canopy.
| Bucket digging force |
27.4 |
Download free Adobe Acrobat Reader to view PDFs in this website.
This page may contain attachments and optional equipment that are not available in your area.And it may contain photographs of machines with specifications that differ from those of machines sold in your areas.Please consult your nearest Kobelco distributor for those items you require.Due to our policy of continuous product improvements all designs and specifications are subject to change without advance notice.